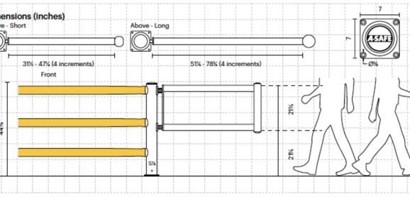
iFlex Swing Gate Long
Long Swing Gates provide access openings for pedestrians and light vehicles at certain points within guardrail sections. They act as a physical stop to prevent a pedestrian or driver travelling straight through a gap or crossing point. They are non-return to ensure the opening remains in place while in use for safe vehicle movement.
The gates have a double swing action but are also supplied with gate stops which can be easily integrated to limit movement to one direction and force users to pause and pull the gate towards them to enhance safety. Compatible with all pedestrian guardrails and combined pedestrian and traffic guardrails, they can be installed on their own or in pairs to increase the size of the opening.










